型号说明

尺寸及构造
物理特性
可靠性试验
温度曲线
额定电流
焊盘尺寸
回流焊
包装规格
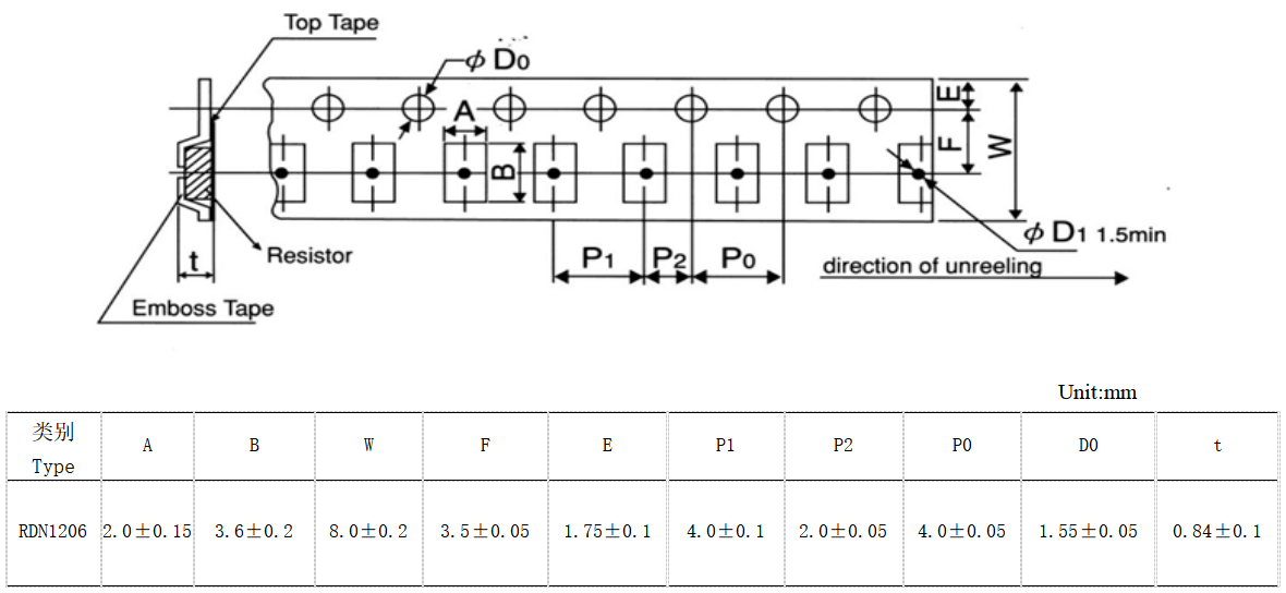
载带尺寸
拉力测试
纸带/PE带、压纹带/吸塑带的剥离力符合《IEC 60286-3》规定:上盖剥离速度为300±10mm /min,上盖宽度为 8mm,剥离拉力0.1 N ~1.0 N,上盖宽度>8mm,玻璃拉力0.1 N ~ 1.3 N。剥离角度应在165°~ 170°之间。
圆盘
标签说明
产品使用注意事项
1、使用时,避免采用超过正常额定功率的条件,否则可能会对产品的可靠性和稳定性产生影响;
2、产品储存条件:温度(5℃—35℃),湿度(40%—75%);
3、产品应避免阳光直射,勿露天存放,勿将产品存放在有腐蚀性气体场所;
4、产品在搬运、存储过程中,严禁摔落、挤压箱体,保持箱体的正确朝向;
5、在镊子夹取产品应注意保护产品封装体和电极部分。


